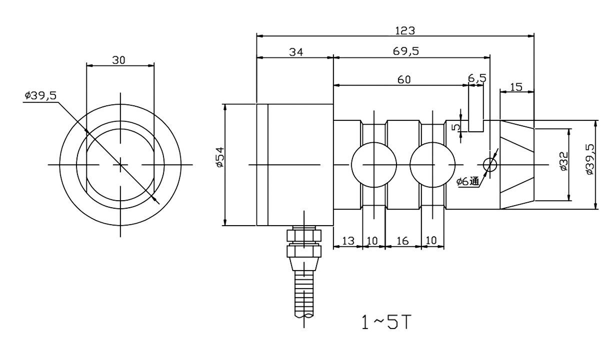
LCZ-112B轴销式荷重传感器

轴销式荷重传感器的核心是将轴销自身作为弹性体,利用应变效应实现力-电转换。原理为:外力作用于轴销时,其产生微小形变,表面应变片随形变改变电阻,经电路转换为与载荷成正比的电信号。特点可简单概括为:结构坚固,能直接替代机械轴销实现测力,抗偏载和抗冲击能力强,安装便捷,适用于空间受限且需承受弯矩的场景。
广泛应用于起重机、电梯等设备的超载保护,港口机械的吊重监测,水利闸门的启闭力检测,以及各种销轴连接结构中的力值测量等领域。
技术特点:
传感器采用桥式双剪切结构
安全系数高,稳定性好
过载能力强,测量精度高
抗侧向力强
| 参 数 | 技术参数 | 参 数 | 技术参数 |
| 量程 | 1t~3t | 输出电阻 | 700±5Ω |
| 输出灵敏度 | 1.0±0.05mV/V | 工作温度范围 | -20~+70℃ |
| 非线性 | ±0.1~±0.3%F.S. | 安全过载 | 150%F·S |
| 滞后误差 | ±0.1%F.S. | 绝缘电阻 | ≥2000MΩ |
| 重复性误差 | ±0.1%F.S. | 激励电压 | 5V~12V |
| 蠕变 | ±0.05%F.S. | 防护等级 | IP66 |
| 零点温度系数 | ±0.05%F.S./10℃ | 材质 | 合金钢、不锈钢 |
| 灵敏度温度系数 | ±0.05%F.S./10℃ | 线缆 | Φ5x3m |
| 输入电阻 | 750±30Ω |

:


